Скорость VVVF стала популярным способом, который можно широко использовать в различных отраслях промышленности.
В системе регулирования частоты вращения двигателя с использованием силового электронного инвертора в качестве источника питания неизбежно возникновение высоких гармоник, гармоническое большее воздействие на двигатель. В основном отражаются в магнитной цепи и цепи гармонический магнитный потенциал, гармонические токи. Различные амплитуды и частоты гармонических токов и магнитного потока приведут к потере меди в статоре двигателя и расходу алюминия в роторе. Эти потери КПД двигателя и снижение коэффициента мощности, большая часть этих потерь преобразуется в тепло, вызывая дополнительный нагрев двигателя, вызывая повышение температуры двигателя, в результате чего температура обычно составляет 10-20%. В результате электромагнитных помех, мощности, проводимости и излучения изоляция обмотки статора стареет, что приводит к ухудшению синфазного напряжения и тока утечки ускоренного подшипника, подшипник становится недолговечным, а двигатель начинает визжать. Начиная с гармонического электромагнитного момента, постоянного гармонического электромагнитного момента, вибрационных гармонических ММФ и синтеза гармонического тока заднего ротора. Крутящий момент двигателя будет создавать пульсирующие проблемы, поэтому вибрация скорости двигателя будет низкой.
Компания производит универсальные трехфазные асинхронные двигатели серий YS, IE2 и IE3. Нашим главным фактором является перегрузка двигателя, пусковые характеристики, эффективность и коэффициент мощности. Еще одним важным фактором, влияющим на адаптивность мощности несинусоидального двигателя. Подавить влияние тока высших гармоник на двигатель. Поскольку двигатель увеличивается при рабочей температуре низкочастотной области, класс изоляции F выше, применение полимерных изоляционных материалов и процесса вакуумной пропитки под давлением, а также применение специальной изоляционной конструкции. Для уменьшения электромагнитной пульсации крутящего момента необходимо повысить точность механических деталей, улучшить постоянный уровень качества и использовать высокоточную заглушку подшипника. Для устранения вибрации конструкция двигателя усилена, что позволяет усилить общую конструкцию.
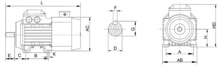
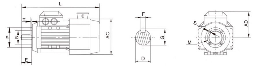
Так как двигатель находится в области низких частот, то, поскольку скорость двигателя снижается, оставляя исходную систему вентиляции, предназначенную для уменьшения роли повышения температуры двигателя, поэтому задняя часть двигателя с однофазным 22-ов или 38-ов трехфазным индивидуальным осевым вентилятором охлаждения, для защиты эффективного охлаждения двигателя на любой скорости, электродвигатель может работать на высокой или низкой скорости. Я изготовил тормоза YVF, которые могут быть оснащены трехфазным инверторным двигателем, а также энкодером для достижения низкого бесступенчатого управления скоростью. Благодаря стандартным размерам фланцевой установки IEC трехфазный инверторный двигатель YVF остается универсальным и может быть заменен на двигатель общего стандарта.

English
中文简体
русский
Español

