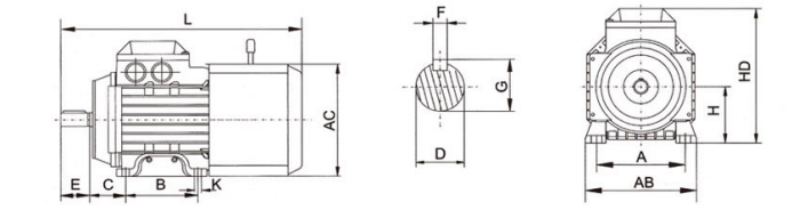
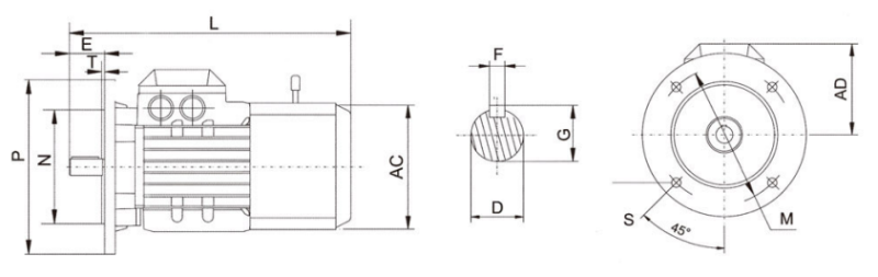
Тормозной двигатель состоит из двух частей, состоящих из трехфазных асинхронных двигателей и тормозов, он относится к производной серии трехфазных асинхронных двигателей. Ручное отпускание тормоза и отпускание болта - это две формы тормозов. Тормоза являются основными компонентами тормозного двигателя. Его рабочая мощность делится на две категории: одна - тормоза переменного тока, другая - тормоза постоянного тока. Моя компания производит тормозные двигатели постоянного тока, преимущество тормозного момента ниже. Простота установки, скорость срабатывания тормозов, высокая надежность, универсальность и другие преимущества.
1. Принцип работы
После этого двигатель оснащается крышкой, асбестовым фрикционным диском, износостойкими материалами и катушкой возбуждения. При подаче питания на двигатель фрикционный диск пружинного тормоза плотно прижимается к плоскости прижимной пластиной после обработки крышки двигателя, благодаря чему создаваемый крутящий момент трения тормозного диска становится сильным для достижения целей торможения. Когда катушка возбуждения активируется для создания электромагнитного всасывания, потяните подпружиненную пластину, и прижатая плата покинет фрикционную пластину. Фрикционный диск освобождается, гибкое вращение двигателя, в зависимости от мощности двигателя, составляет от десятков до сотен оборотов в минуту
сопротивление.
2. Тормоз постоянного тока не может быть напрямую подключен к источнику переменного тока; тормозная катушка снабжена присосками для обмотки низкого напряжения номинального постоянного напряжения. Однофазный переменный ток выпрямляется, а затем подается на присоску, чтобы она заработала, поэтому клеммная коробка тормозного двигателя оснащена выпрямителем. Схема электропроводки приведена ниже.
3. Время торможения
Время торможения тормозного двигателя (t) — это время от момента остановки двигателя и тормоза до полной остановки двигателя в нормальных условиях. Для двигателя размером от 63 до 80 рам время торможения составляет 0,5 секунды. Для двигателя размером от 90 до 132 рам время торможения составляет 1 секунду. Для двигателя размером от 160 до 180 рам время торможения составляет 2 секунды.
4. Регулировка и обслуживание
В процессе торможения двигателя увеличивается количество фрикционных дисков тормоза, возникает состояние износа, поэтому зазор между крышкой двигателя и фрикционным диском увеличивается. Изменения в длительной работе двигателя, двигатель напрямую влияет на зазор между тормозными моментами. При регулировке зазор не слишком мал, зазор слишком мал, трение фрикционного диска с крышкой двигателя не может полностью отделиться от плоскости и сжечь двигатель, зазор слишком велик, прессованная плата не может тянуть или тянуть сильный шумовой процесс. Пластина нажатия тормоза в зазоре, тормоза с магнитным зажимом, как правило, для двигателя размером от 60 до 112 рам, тормозной зазор от 0,25 мм до 0,30 мм, для двигателя размером от 132'180 рам, тормозной зазор от 0,50 мм до 0,80 мм.
5.Монахини-инверторы те молор бракц
С постоянным совершенствованием и развитием социальной продуктивности науки и техники. Система тормоз плюс инвертор широко применяется при реализации организации. Я изготовил все асинхронные двигатели, которые могут настроить привод на работу. На этом этапе тормоз должен быть предусмотрен отдельно, должен быть обеспечен стабильный источник питания, и тогда его нельзя будет разделить с клеммами питания двигателя. В противном случае тормоза не работают должным образом. Необходимо изготовить тормозные двигатели с переменной частотой вращения, осевой вентилятор для присоединения этого вентилятора, только независимое управление и питание.
Примечательно, что компания производит все виды асинхронных двигателей в самом высоком диапазоне частот 6oГц, поскольку у вас есть особые требования, сообщите нам об этом.

English
中文简体
русский
Español




